Ретро западни
- Gularis
- Сообщения: 875
- Стаж: 11 лет 11 месяцев
- Имя: Gularis
- Страна: World
- Город: gularis.com
- Благодарил (а): 4 раза
- Поблагодарили: 792 раза
- Возраст: 12
- Контактная информация:
Ретро западни
Несколько лет назад, этим описанием западни поделился Фенолог
Для отлова мелких воробьиных выгоднее использовать портативные самодействующие ловушки: западню и автоматический лучок. Они существенно сберегают силы, а также время птицелова, дают положительные результаты в очень различных условиях. Автоматические ловушки, установленные с вечера, действуют ранним утром, когда птицы активно разыскивают пищу. Несколькими десятками таких ловушек можно охватить значительную площадь. Расставляя их линиями или ярусами с различными приманками, можно получить интересные данные по экологии птиц.
В то же время общеизвестная птицеловная западня имеет много недостатков и не может служить стандартным образцом для широкого распространения. Она сложна в изготовлении, громоздка, конструкция ее механизма нерациональна и недолговечна. По причине несовершенства механизма, рычаги которого перегораживают вход, в обычную западню не попадаются крупные и осторожные птицы: сойка, горихвостка и т. п. Постоянным уловом старой западни по большей части остается лишь большая синица. Распространенный в обиходе птицеловный лучок приводится в действие усилием руки и требует непосредственного участия птицелова.
Поэтому автор попытался усовершенствовать западню. Ее механизм западни переделан так, чтобы все пространство входа в настороженную ловушку оставалось свободным от проволочных рычагов. За время испытаний автоловушек автором установлено, что птицы совершенно безбоязненно садятся на проволочную насторожку; поэтому делать ее из дерева нет необходимости. Нерационально также делать дверцы ловушки решетчатыми. В модернизированной западне дверцы деревянные. У нее нет среднего отделения, и приманка размещена рациональнее, чтобы уменьшить размеры ловушки. Описываемые западни можно применять и с манной птицей, которую помещают в одно из отделений, а другое отделение настораживают.
Установка и проверка западней производилась автором попутно с основной работой во время переходов из квартиры в лабораторию и обратно. Западни расставлялись по опушке смешанного леса на деревьях и пнях, по обочине лесной дороги и окраине огорода с приманкой из овса, ягод бузины и рябины. На эту приманку хорошо ловились большие синицы, горихвостки, поползни, пеночки–веснички, черноголовые славки и домовые воробьи. Пеночки–веснички, горихвостки и славки, почти не попадавшиеся в неавтоматическую ловушку–кормушку, оказались постоянным уловом западни новой конструкции.
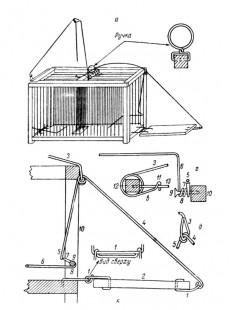
Рис.1 Западня первого типа
а — общий вид ловушки; б — дверцы и настораживающий механизм справа; в — пружина, надетая на среднюю планку, вид сбоку; г — настораживающий механизм сверху; д — узел соединения тяжа и сторожка с петлей пружины.
1 — шарнирные скобки: 2 — дверца; 3 — длинный конец пружины; 4 — тяж; 5 — сторожок; 6 — насторожка; 7 — крючок насторожк; 8 — витки насторожки; 9 — гвоздь; 10 — боковая стойка каркаса; 11 — короткий конец пружины с крючком: 12 — средняя планка в разрезе; 13 — проволока верхней решетки.
Рис.2 Модернизированная западня второго типа
а — общий вид ловушки; б — настораживающий механизм справа и снаружи; в — то же сверху; г — то же слева и изнутри; д — то же спереди.
1 — дверца; 2 — шарнирная скобка; 3 — арковая скобка; 4 — Л–образная стойка; 5 — П–образный сгиб стойки; б — змейка; 7 — головка змейки; 8 — хвост змейки; 9 — насторожка; 10 — крючок насторожки; 11 — пружина.
Западня первого образца оказалась в некоторых условиях не вполне удобной: ее наружные рычаги препятствовали установке ловушки в кустарнике, а через верхнюю решетку приманка и насторожка часто засыпались снегом. С учетом этих недостатков автор сконструировал западню второго типа (рис. 2). У этой ловушки верх закрыт, а дверцы и рычаги механизма заводятся внутрь. Последняя конструкция свободна от перечисленных выше недостатков и изготовляется без гвоздей, из двух дощечек и проволоки.
Для устройства одной модернизированной западни надо запастись доской длиной 70 см, шириной 12 см и толщиной 1,5-2 см, а также двухмиллиметровой железной, оцинкованной проволокой (граммов 200). Чтобы сделать западню с решетчатым верхом, потребуется еще 11 штук 40-50 миллиметровых гвоздей для скрепления ее каркаса и присоединения насторожки.
Для механизма автоловушек можно использовать пружины от крысоловок–давилок. Проволоку желательно употреблять оцинкованную. Для предохранения от ржавчины полезно выкрасить готовые ловушки масляной краской (серо–зеленого цвета).
Общая характеристика модернизированных западней. Модернизированные западни имеют размеры: длина 25 см, ширина 12 см, высота 15 см; состоят они из двух решетчатых отделений с деревянными дверцами, которые настораживаются птицеловом и автоматически захлопываются при посадке птицы на проволочную насторожку. Отделения западней отгорожены друг от друга проволочной решеткой. В центре деревянного дна западней (поперек его) выдолблены неглубокие корытца (6 X 4 X 0,5 см) для насыпания зерна. К средней решетке прикрепляются ягоды, насекомые, мясо и пр. Комплексная приманка, размещаемая в середине ловушки, служит для обеих ее отделений. Дверцы западней изготовляются из тонких дощечек длиной 12 см, шириной 10 см, толщиной 0.5 см. Они захлопываются силой спиральных проволочных пружин, работающих на закручивание. Дверцы можно сделать из листового алюминия, а для зерновой приманки к середине дна западни прикрепляется рамочка, согнутая из алюминиевой полоски. Для удобства переноски ловушек к их верху приделываются проволочные ручки. Перегородки и боковые стороны западней (а у первого образца и верх) зарешечиваются отрезками проволоки, которые вставляются концами в углубления, сделанные шилом по краю дна и верха с промежутками через 1 см, в 0,5 см от края. Чтобы проволоки решетки удерживались прочнее, их нужно откусывать на 1 см длиннее расстояния между досками. Отрезок проволоки, слегка сгибая, вставляют концами в углубления и, покручивая его за сгиб, постепенно распрямляют.
При изготовлении западней нужно соблюдать последовательность: вначале заготовить все деревянные части, разметить и наколоть углубления для проволок решетки, выдолбить корытца. Затем следует сделать все проволочные детали ловушки, прикрепить ручки и дверцы, скрепить каркас западни первого типа и соединить (с помощью арковых скобок) верхнюю доску с нижней у западни второго образца. После этого зарешечивается перегородка, устанавливаются механизмы и производится зарешечи–зание боковых сторон ловушек (и верха у западни первого типа). Механизмы готовых западней тщательно регулируются, и ловушки окрашиваются масляной краской. Общий вид западней представлен на рис. 1 и 2.
[col]Модернизированная западня первого типа имеет каркас из деревянных планок сечением 1.5 X 1.5 см, скрепленных 10 гвоздями между собой и с дном. Каркас можно сделать из ровных, круглых палочек. Откидывающиеся дверцы западни соединены с дном и с пружиной шарнирными скобками и захлопываются усилием пружин, надетых своими витками на среднюю планку каркаса. Эта планка с надетыми на нее пружинами прикрепляется к каркасу. Короткий конец пружины загнут крючком, которым зацепляется за одну из проволок верхней решетки. Длинный конец пружины согнут петлей, к которой присоединяются проволочный тяж дверцы и сторожок. Пружины ловушки изготовляются накручиванием 3-4 витков проволоки на круглую палку сечением 2 см. Перечисленные детали западни изображены на рисунке.
Настораживающий механизм этой западни состоит из следующих деталей: проволочного сторожка, подвешенного к петле пружины, Г– образной проволочной насторожки, которая вращается двумя своими витками на гвозде, вбитом в боковую стойку западни. Насторожка имеет крючок с углублением на конце, в которое заходит конец сторожка.
В настороженном, т. е. откинутом, положении дверцы западни удерживаются сторожками, зацепляющимися своими петлями за планку каркаса, а концами - за крючки насторожек. Детали настораживающего механизма (в настороженном положении) изображены на рис. 1.|Модернизированная западня второго типа устроена так же, но верх ее закрыт и сделан из такой же дощечки, как и дно. У нее нет стоек, ее вертикальная устойчивость обеспечивается проволоками решетки, а связь дна с верхом — арковыми скобками. Пружины этой ловушки изготовляются путем накручивания 15-20 витков проволоки на трехмиллиметровый гвоздь, который вбивается в кусок полена. Дверцы модернизированной западни второго типа не соединяются с дном ловушки. Они, как по шарниру, соединяются с концами пружины и скользят внутри сгибов арковых скобок. Детали механизма этой западни изображены на рис. 2. Наиболее сложной частью западни второго типа является настораживающий механизм, который состоит из следующих деталей, изготовляемых из проволоки: 1) П–образной стойки с П–образным сгибом, 2) Г–образной насторожки с крючком, надетой своими витками на сгиб стойки, 3) змейки, обвивающей прямой стержень стойки и имеющей головку, которой она заходит в углубление на боку дверцы, а также хвост, которым зацепляется за крючок насторожки. Настораживающий механизм устанавливается рядом с арковой скобкой вместо двух первых проволок решетки. Чтобы насторожить модернизированную западню второго типа, нужно, преодолевая сопротивление пружины, оттянуть дверцу вверх и задвинуть ее внутрь под потолок ловушки. Другой рукой устанавливают змейку так, чтобы она зашла головкой в углубление на боку дверцы, а своим хвостом зацепилась за крючок насторожки, который для этого прижимают пальцем. При этом Г– образный сгиб насторожки приподнимается. При посадке птицы на насторожку последняя опускается, и ее крючок освобождает хвост змейки. Захлопываясь, дверца слегка выдвигается наружу и, одновременно поворачиваясь на 90° внутри сгиба арковой скобки, падает вниз.
Для отлова мелких воробьиных выгоднее использовать портативные самодействующие ловушки: западню и автоматический лучок. Они существенно сберегают силы, а также время птицелова, дают положительные результаты в очень различных условиях. Автоматические ловушки, установленные с вечера, действуют ранним утром, когда птицы активно разыскивают пищу. Несколькими десятками таких ловушек можно охватить значительную площадь. Расставляя их линиями или ярусами с различными приманками, можно получить интересные данные по экологии птиц.
В то же время общеизвестная птицеловная западня имеет много недостатков и не может служить стандартным образцом для широкого распространения. Она сложна в изготовлении, громоздка, конструкция ее механизма нерациональна и недолговечна. По причине несовершенства механизма, рычаги которого перегораживают вход, в обычную западню не попадаются крупные и осторожные птицы: сойка, горихвостка и т. п. Постоянным уловом старой западни по большей части остается лишь большая синица. Распространенный в обиходе птицеловный лучок приводится в действие усилием руки и требует непосредственного участия птицелова.
Поэтому автор попытался усовершенствовать западню. Ее механизм западни переделан так, чтобы все пространство входа в настороженную ловушку оставалось свободным от проволочных рычагов. За время испытаний автоловушек автором установлено, что птицы совершенно безбоязненно садятся на проволочную насторожку; поэтому делать ее из дерева нет необходимости. Нерационально также делать дверцы ловушки решетчатыми. В модернизированной западне дверцы деревянные. У нее нет среднего отделения, и приманка размещена рациональнее, чтобы уменьшить размеры ловушки. Описываемые западни можно применять и с манной птицей, которую помещают в одно из отделений, а другое отделение настораживают.
Установка и проверка западней производилась автором попутно с основной работой во время переходов из квартиры в лабораторию и обратно. Западни расставлялись по опушке смешанного леса на деревьях и пнях, по обочине лесной дороги и окраине огорода с приманкой из овса, ягод бузины и рябины. На эту приманку хорошо ловились большие синицы, горихвостки, поползни, пеночки–веснички, черноголовые славки и домовые воробьи. Пеночки–веснички, горихвостки и славки, почти не попадавшиеся в неавтоматическую ловушку–кормушку, оказались постоянным уловом западни новой конструкции.
Рис.1 Западня первого типа
а — общий вид ловушки; б — дверцы и настораживающий механизм справа; в — пружина, надетая на среднюю планку, вид сбоку; г — настораживающий механизм сверху; д — узел соединения тяжа и сторожка с петлей пружины.
1 — шарнирные скобки: 2 — дверца; 3 — длинный конец пружины; 4 — тяж; 5 — сторожок; 6 — насторожка; 7 — крючок насторожк; 8 — витки насторожки; 9 — гвоздь; 10 — боковая стойка каркаса; 11 — короткий конец пружины с крючком: 12 — средняя планка в разрезе; 13 — проволока верхней решетки.
Рис.2 Модернизированная западня второго типа
а — общий вид ловушки; б — настораживающий механизм справа и снаружи; в — то же сверху; г — то же слева и изнутри; д — то же спереди.
1 — дверца; 2 — шарнирная скобка; 3 — арковая скобка; 4 — Л–образная стойка; 5 — П–образный сгиб стойки; б — змейка; 7 — головка змейки; 8 — хвост змейки; 9 — насторожка; 10 — крючок насторожки; 11 — пружина.
Западня первого образца оказалась в некоторых условиях не вполне удобной: ее наружные рычаги препятствовали установке ловушки в кустарнике, а через верхнюю решетку приманка и насторожка часто засыпались снегом. С учетом этих недостатков автор сконструировал западню второго типа (рис. 2). У этой ловушки верх закрыт, а дверцы и рычаги механизма заводятся внутрь. Последняя конструкция свободна от перечисленных выше недостатков и изготовляется без гвоздей, из двух дощечек и проволоки.
Для устройства одной модернизированной западни надо запастись доской длиной 70 см, шириной 12 см и толщиной 1,5-2 см, а также двухмиллиметровой железной, оцинкованной проволокой (граммов 200). Чтобы сделать западню с решетчатым верхом, потребуется еще 11 штук 40-50 миллиметровых гвоздей для скрепления ее каркаса и присоединения насторожки.
Для механизма автоловушек можно использовать пружины от крысоловок–давилок. Проволоку желательно употреблять оцинкованную. Для предохранения от ржавчины полезно выкрасить готовые ловушки масляной краской (серо–зеленого цвета).
Общая характеристика модернизированных западней. Модернизированные западни имеют размеры: длина 25 см, ширина 12 см, высота 15 см; состоят они из двух решетчатых отделений с деревянными дверцами, которые настораживаются птицеловом и автоматически захлопываются при посадке птицы на проволочную насторожку. Отделения западней отгорожены друг от друга проволочной решеткой. В центре деревянного дна западней (поперек его) выдолблены неглубокие корытца (6 X 4 X 0,5 см) для насыпания зерна. К средней решетке прикрепляются ягоды, насекомые, мясо и пр. Комплексная приманка, размещаемая в середине ловушки, служит для обеих ее отделений. Дверцы западней изготовляются из тонких дощечек длиной 12 см, шириной 10 см, толщиной 0.5 см. Они захлопываются силой спиральных проволочных пружин, работающих на закручивание. Дверцы можно сделать из листового алюминия, а для зерновой приманки к середине дна западни прикрепляется рамочка, согнутая из алюминиевой полоски. Для удобства переноски ловушек к их верху приделываются проволочные ручки. Перегородки и боковые стороны западней (а у первого образца и верх) зарешечиваются отрезками проволоки, которые вставляются концами в углубления, сделанные шилом по краю дна и верха с промежутками через 1 см, в 0,5 см от края. Чтобы проволоки решетки удерживались прочнее, их нужно откусывать на 1 см длиннее расстояния между досками. Отрезок проволоки, слегка сгибая, вставляют концами в углубления и, покручивая его за сгиб, постепенно распрямляют.
При изготовлении западней нужно соблюдать последовательность: вначале заготовить все деревянные части, разметить и наколоть углубления для проволок решетки, выдолбить корытца. Затем следует сделать все проволочные детали ловушки, прикрепить ручки и дверцы, скрепить каркас западни первого типа и соединить (с помощью арковых скобок) верхнюю доску с нижней у западни второго образца. После этого зарешечивается перегородка, устанавливаются механизмы и производится зарешечи–зание боковых сторон ловушек (и верха у западни первого типа). Механизмы готовых западней тщательно регулируются, и ловушки окрашиваются масляной краской. Общий вид западней представлен на рис. 1 и 2.
[col]Модернизированная западня первого типа имеет каркас из деревянных планок сечением 1.5 X 1.5 см, скрепленных 10 гвоздями между собой и с дном. Каркас можно сделать из ровных, круглых палочек. Откидывающиеся дверцы западни соединены с дном и с пружиной шарнирными скобками и захлопываются усилием пружин, надетых своими витками на среднюю планку каркаса. Эта планка с надетыми на нее пружинами прикрепляется к каркасу. Короткий конец пружины загнут крючком, которым зацепляется за одну из проволок верхней решетки. Длинный конец пружины согнут петлей, к которой присоединяются проволочный тяж дверцы и сторожок. Пружины ловушки изготовляются накручиванием 3-4 витков проволоки на круглую палку сечением 2 см. Перечисленные детали западни изображены на рисунке.
Настораживающий механизм этой западни состоит из следующих деталей: проволочного сторожка, подвешенного к петле пружины, Г– образной проволочной насторожки, которая вращается двумя своими витками на гвозде, вбитом в боковую стойку западни. Насторожка имеет крючок с углублением на конце, в которое заходит конец сторожка.
В настороженном, т. е. откинутом, положении дверцы западни удерживаются сторожками, зацепляющимися своими петлями за планку каркаса, а концами - за крючки насторожек. Детали настораживающего механизма (в настороженном положении) изображены на рис. 1.|Модернизированная западня второго типа устроена так же, но верх ее закрыт и сделан из такой же дощечки, как и дно. У нее нет стоек, ее вертикальная устойчивость обеспечивается проволоками решетки, а связь дна с верхом — арковыми скобками. Пружины этой ловушки изготовляются путем накручивания 15-20 витков проволоки на трехмиллиметровый гвоздь, который вбивается в кусок полена. Дверцы модернизированной западни второго типа не соединяются с дном ловушки. Они, как по шарниру, соединяются с концами пружины и скользят внутри сгибов арковых скобок. Детали механизма этой западни изображены на рис. 2. Наиболее сложной частью западни второго типа является настораживающий механизм, который состоит из следующих деталей, изготовляемых из проволоки: 1) П–образной стойки с П–образным сгибом, 2) Г–образной насторожки с крючком, надетой своими витками на сгиб стойки, 3) змейки, обвивающей прямой стержень стойки и имеющей головку, которой она заходит в углубление на боку дверцы, а также хвост, которым зацепляется за крючок насторожки. Настораживающий механизм устанавливается рядом с арковой скобкой вместо двух первых проволок решетки. Чтобы насторожить модернизированную западню второго типа, нужно, преодолевая сопротивление пружины, оттянуть дверцу вверх и задвинуть ее внутрь под потолок ловушки. Другой рукой устанавливают змейку так, чтобы она зашла головкой в углубление на боку дверцы, а своим хвостом зацепилась за крючок насторожки, который для этого прижимают пальцем. При этом Г– образный сгиб насторожки приподнимается. При посадке птицы на насторожку последняя опускается, и ее крючок освобождает хвост змейки. Захлопываясь, дверца слегка выдвигается наружу и, одновременно поворачиваясь на 90° внутри сгиба арковой скобки, падает вниз.
- GA.
- Дежурный по форуму
- Сообщения: 2462
- Стаж: 11 лет 11 месяцев
- Имя: Aндрей
- Страна: РФ
- Город: Луганск
- Виды птиц: Огненные и магелланские чижи, попугай Мейера и др.
- Страница "ВКонтакте": vk.com/gafinch
- Благодарил (а): 1869 раз
- Поблагодарили: 2290 раз
Ретро западни
Два винтажных изделия
одно импортное, а другое отечественное.
Предположительно ровесники. Начало эксплуатации... :? 50 лет тому назад? Или больше?
Верхняя западня
пружинка явно не отсюда. В принципе, дверка должна падать под своей тяжестью, но ввиду ветхого состояния, на "решительное" движение не хватает усилий...
Отечественная западня
как и положено, в изоляции.... но в работе не подведет.
Предположительно ровесники. Начало эксплуатации... :? 50 лет тому назад? Или больше?
Верхняя западня
Отечественная западня
- Прохор
- Свободный художник
- Сообщения: 1757
- Стаж: 11 лет 11 месяцев
- Имя: Константин
- Страна: Германия/Россия
- Город: Шифферштадт
- Виды птиц: Насекомоядные птицы.
- Благодарил (а): 845 раз
- Поблагодарили: 2416 раз
- Возраст: 64
- Контактная информация:
Re: Ретро западни
Полуавтаматы из Е,КБ, мне больше 20 лет назад прислал Виктор Иванович Антипин. Это охотники старой закалки, поколения Никонова, кстати они были друзьями. Западки рассчитаны на ловлю мелких птиц, я ими очень дорожу, но последние годы почти не использовал.
Ну а весна, начало сезона....., планы. Короче достал, почистил, покрыл лаком из балончика, бук заиграл подчеркивая структуру благородного дерева. Пружины обработал ВД 40, (совет Никохота на орнитологисте) , отверстие прикинул на дне под крепление, сумочку подобрал для работы в поле. Короче снасть готова к работе.
Ну а весна, начало сезона....., планы. Короче достал, почистил, покрыл лаком из балончика, бук заиграл подчеркивая структуру благородного дерева. Пружины обработал ВД 40, (совет Никохота на орнитологисте) , отверстие прикинул на дне под крепление, сумочку подобрал для работы в поле. Короче снасть готова к работе.
- GA.
- Дежурный по форуму
- Сообщения: 2462
- Стаж: 11 лет 11 месяцев
- Имя: Aндрей
- Страна: РФ
- Город: Луганск
- Виды птиц: Огненные и магелланские чижи, попугай Мейера и др.
- Страница "ВКонтакте": vk.com/gafinch
- Благодарил (а): 1869 раз
- Поблагодарили: 2290 раз
Ретро западни
Экспонат найден в заброшенном пионерском лагере им. М. И. Калинина, что находится в глубинах Заельцовского Бора.
- Сергей Чернов
- Breeder
- Сообщения: 398
- Стаж: 11 лет 11 месяцев
- Имя: Сергей
- Страна: Россия
- Город: Екатеринбург
- Виды птиц: Щеглы, чечётки
- Благодарил (а): 797 раз
- Поблагодарили: 850 раз
- GA.
- Дежурный по форуму
- Сообщения: 2462
- Стаж: 11 лет 11 месяцев
- Имя: Aндрей
- Страна: РФ
- Город: Луганск
- Виды птиц: Огненные и магелланские чижи, попугай Мейера и др.
- Страница "ВКонтакте": vk.com/gafinch
- Благодарил (а): 1869 раз
- Поблагодарили: 2290 раз
Ретро западни
Сей винтаж из Турции выставлен как лот для продажи. Желающий купить, должен будет заплатить 71$ !!!
Это при том, что дно напрочь отсутствует
но зато пружинный механизм на месте, в верхней части ловушки.
Размеры: 16х16х13 см
Для того, чтобы придать похожий цвет западкам из свежих струганных реек, мне пришлось подбирать краски, а тут все сделало время
Деталек немного не хватает
а то и сотню можно было бы просить? В наличии только одно изделие!
Это при том, что дно напрочь отсутствует
Размеры: 16х16х13 см
Для того, чтобы придать похожий цвет западкам из свежих струганных реек, мне пришлось подбирать краски, а тут все сделало время
Деталек немного не хватает
- GA.
- Дежурный по форуму
- Сообщения: 2462
- Стаж: 11 лет 11 месяцев
- Имя: Aндрей
- Страна: РФ
- Город: Луганск
- Виды птиц: Огненные и магелланские чижи, попугай Мейера и др.
- Страница "ВКонтакте": vk.com/gafinch
- Благодарил (а): 1869 раз
- Поблагодарили: 2290 раз
Re: Ретро западни
Еще одна ровесница изображениям выше
Западня с верхней захлопывающейся дверцей
Сделано в СССР - Made in USSR
Западня с верхней захлопывающейся дверцей
Сделано в СССР - Made in USSR
- GA.
- Дежурный по форуму
- Сообщения: 2462
- Стаж: 11 лет 11 месяцев
- Имя: Aндрей
- Страна: РФ
- Город: Луганск
- Виды птиц: Огненные и магелланские чижи, попугай Мейера и др.
- Страница "ВКонтакте": vk.com/gafinch
- Благодарил (а): 1869 раз
- Поблагодарили: 2290 раз
Ретро западни
Западок c отделением для манной птицы.
Происхождение: провинция Венето, период 1910-1930 гг.
Западок особой формы, с внутренней кормушкой.
Происхождение: Виченца, период 1900-1920 гг.
Клетка-ловушка с дверкой в верхней части, для отлова мелких птиц.
Происхождение: Ломбардийско-венецианский регион, период с 1910 по 1930 гг.
Древняя ловушка на дроздов и др. Происхождение: провинция Венето, период 1860-1880 гг.
Западок с двумя отделениями. Происхождение: регион Кампания, период 1930-1960 гг.
- GA.
- Дежурный по форуму
- Сообщения: 2462
- Стаж: 11 лет 11 месяцев
- Имя: Aндрей
- Страна: РФ
- Город: Луганск
- Виды птиц: Огненные и магелланские чижи, попугай Мейера и др.
- Страница "ВКонтакте": vk.com/gafinch
- Благодарил (а): 1869 раз
- Поблагодарили: 2290 раз
Ретро западни
Клетка-ловушка для мелких видов птиц.
Происхождение: Италия, Ломбардия. Музей этнографии и природы Val Sanagra
Первая половина ХХ века.
- GA.
- Дежурный по форуму
- Сообщения: 2462
- Стаж: 11 лет 11 месяцев
- Имя: Aндрей
- Страна: РФ
- Город: Луганск
- Виды птиц: Огненные и магелланские чижи, попугай Мейера и др.
- Страница "ВКонтакте": vk.com/gafinch
- Благодарил (а): 1869 раз
- Поблагодарили: 2290 раз
Ретро западни
- Большая клетка-ловушка для птиц.
- Происхождение: Франция, период с 1910 г.
- Длина: 60 см
- Высота: 22 см
- Ширина: 24 см
- Материал: дерево, металл.
- Старинная, деревенская клетка-ловушка, ручной работы, способная самостоятельно ловить до двух птиц.
- Происхождение: Франция
- Длина: 53 см
- Высота: 22 см
- Ширина: 18 см
Птица присаживается на ловушку, чтобы взять корм со специальных маленьких кормушек, и это приводит к тому, что крышка падает вниз, закрывая птицу внутри. Окрашена в типичный зеленый цвет, сделана из дерева и олова, решетка имеет прекрасный изношенный вид. Две кормушки для приманки свободно прикреплены проволокой. Два боковых отделения открываются вверх, центральная часть имеет распашную дверь с фиксацией в закрытом положении.
Price: $465 Лот куплен! Увели буквально из под носа
- Сергей Чернов
- Breeder
- Сообщения: 398
- Стаж: 11 лет 11 месяцев
- Имя: Сергей
- Страна: Россия
- Город: Екатеринбург
- Виды птиц: Щеглы, чечётки
- Благодарил (а): 797 раз
- Поблагодарили: 850 раз
Ретро западни
Может, не совсем в соответствии с темой, тем не менее, All Antique Bird Cages здесь предлагают приобрести антикварные клетки с оригинальными аксессуарами (вплоть до того, что даже жёрдочки оригинальные). Много клеток конца 19 века. Цены впечатляют.